记一次ST-LINK维修及刷固件过程

1,029 阅读3分钟

        以前网上买了一个ST-LINK烧写器,用了一段时间突然烧不了程序了。就扔那没管,今天无意中翻了出来打算拆开看看里面都有什么东西,结果拆开后发现只有一个STM32F103C8T6单片机,其他的基本没有什么东西了。

直接将USB口这个塑料用螺丝刀撬开,就可以直接将外壳抽出来了。

正面

背面

背面沾了一块双面泡沫胶带。

这个ST-LINK插上电脑后,电脑识别不了,重新安装驱动也不行,怀疑是单片机里面的程序损坏了。于是想着先重新烧写一下程序试试。上面的四个孔用万用表量了之后,分别是3.3V、SWCLK、GND、SWIO,是程序烧写口。手头有 J-LINK烧写器,刚好可以给这个片子重新刷一下程序。由于上面的四个孔间距太小,不方便烧写,于是用线引出来,焊接上排针。

直接用J-link烧写器连接上焊接的插针

由于这几个口的顺序和J-LINK烧写口的顺序不一样,于是中间加了四根杜邦线,将端口一一对应上。然后随便找了一个程序下载,发现程序下载不进去,于是尝试直接擦除芯片,也擦除不掉。看来芯片是被保护了,看来只能换单片机了。于是将上面的STM32F103C8T6单片机拆下了,重新换一个新的上去。具体过程就不说了。

换上新片子后,用J-LINK下载程序,程序可以正常下载。下面只要找一个 ST-LINK的固件烧进去,应该就好了。于是在网上搜索ST-LINK的固件。终于找了一个可以用的。

下载好之后使用J-LINK烧写器给ST-LINK下载固件。

固件下载成功后,将ST-LINK插到电脑USB口上,然后安装ST-LINK的驱动。

电脑是64位系统,直接双击第一个文件安装,驱动安装完成后,可以在电脑设备管理器中看到ST-LINk了

看来固件刷成功了。

下面打开ST-LINK的升级软件,给固件升一下级。

点击Connect按钮,连接ST-LINK。

我这个已经升过级了,可以看到现在的版本是V2.J35.S7,比底下提示的版本高。所以这里就不升级了,如果需要升级直接点YSE按钮就行了。

固件升级成功后,打开keil工程看看能不能给STM32的片子下载程序。

如果 ST-LINK的版本过低,打开keil,选择下载器为ST-LINK的时候,keil也会提示给 ST-LINK升级,所以上面的升级步骤也可以不用做。

下来下载程序

程序下载成功,单片机上的LED灯正常闪烁。

下来在试试给STM8单片机下载程序。

LED灯正常闪烁,程序下载成功。

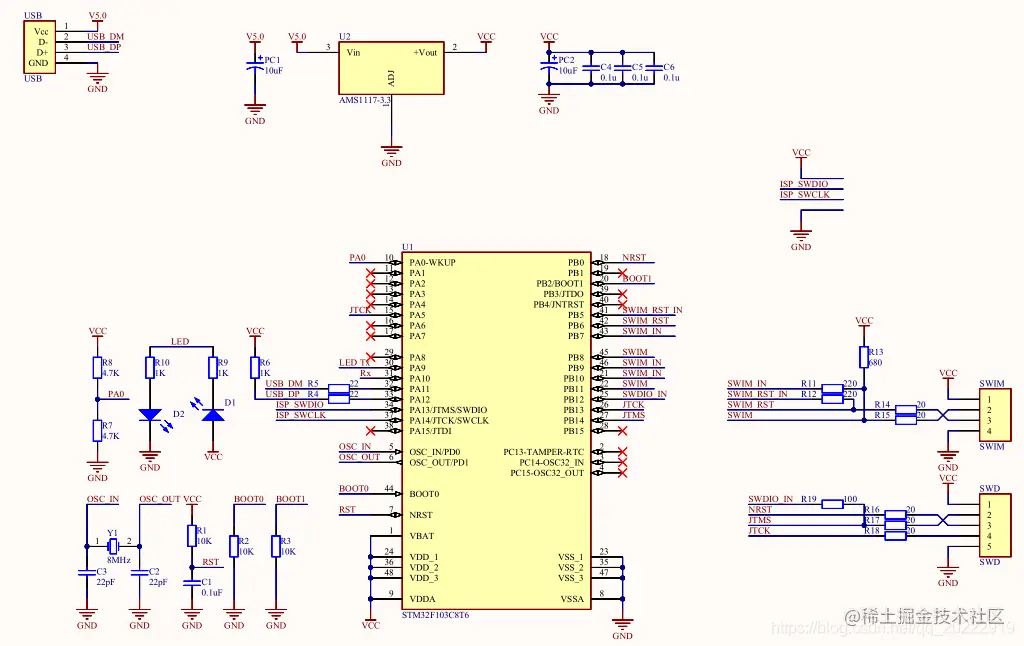
此时 ST-LINK已经可以正常使用了。最后附上ST-LINK的原理图,以后就可以自己做烧写器了。